异常订单 #4312537706684960222

基本信息
归属店铺:
柒量一裁(天猫)
订单号:
4312537706684960222
退货快递单号:
434556042008487
商品货号:
MTEC241781A-LG-S
拒绝处理时间:
2025-05-06
处理时限:
2025-05-13
当前状态:
已完成
创建人:
zls
创建时间:
2025-05-06 15:27:42
拒绝退款原因

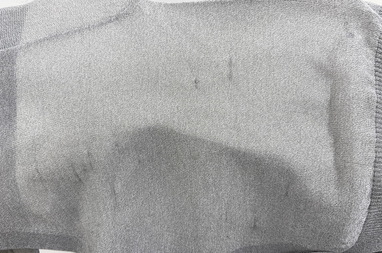
退回商品防盗扣、吊牌已拆,严重勾丝

重要说明

此订单已登记为异常订单,请平台相关人员务必按照流程操作退款。如若擅自操作退款,造成的损失将由操作人承担。

附件
3e8d3594-f8b1-4f37-aeaa-4e90cf27f966.jpg

3e8d3594-f8b1-4f37-aeaa-4e90cf27f966.jpg

查看
4aae3196-aabc-4e36-9ca3-e0a16acd82a2.jpg

4aae3196-aabc-4e36-9ca3-e0a16acd82a2.jpg

查看
e2cac436-30b8-4f64-a103-311dd05a97f3.jpg

e2cac436-30b8-4f64-a103-311dd05a97f3.jpg

查看
操作日志
  • 将订单状态修改为completed 2025-07-09 17:17
    操作人: zls
  • 创建了异常订单记录 2025-05-06 15:27
    操作人: zls